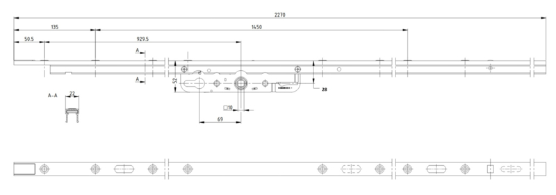
Schuco schuifdeur slot tot 150 kilo 233903
Artikelnummer: 233903
€ 217,79
(inclusief btw)
